Algorytmy przetwarzania sygnałów

note /search

Unormowany algorytm Levinsona - sprawozdanie

  • Politechnika Wrocławska
  • Algorytmy przetwarzania sygnałów
Pobrań: 1918
Wyświetleń: 4270

Sprawozdanie z laboratoriów algorytmów przetwarzania sygnałów UNORMOWANY ALGORYTM LEVINSONA • Cel ćwiczenia: - Zrozumienie i przebadanie właściwości unormowanego algorytmu Levinsona oraz filtru Levinsona, przy użyciu sygnałów modelowych i rzeczywistych. Jaka jest zależność pomiędzy szybkością zbi...

Algorytm Levinsona - wykład

  • Politechnika Wrocławska
  • Algorytmy przetwarzania sygnałów
Pobrań: 1113
Wyświetleń: 4438

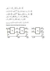
Algorytm Levinsona. Mając dane: -Funkcję kowariancji C(0), C(1), C(n), C(n+1) stacjonarnego sygnału y, -współczynniki an,1,… an,n optymalnego filtru prognozującego rzędu n, -błąd średnio kwadraturowy rzędu n Wówczas prawdziwe są następując...

Wykład - algorytm Schura

  • Politechnika Wrocławska
  • Algorytmy przetwarzania sygnałów
Pobrań: 679
Wyświetleń: 2464

Algebraiczny algorytm Schura Algebraiczny algorytm Schura stanowi konkurencję w stosunku do algorytmu Levinsona, rozwiązanie problemu prognozy, gdyż współczynnik (zwany współczynnikiem Schura) jest numerycznie identyczny jak w algorytmie Levinsona. Ma lepsza stabilność numeryczną. Metody wyznaczan...

Wykład - filtr modelujący

  • Politechnika Wrocławska
  • Algorytmy przetwarzania sygnałów
Pobrań: 728
Wyświetleń: 2730

Problem filtru modelującego. Szum biały podany na wejście filtru odwrotnego Ap-1 względem filtru innowacyjnego, generuje na wyjściu sygnał y, który jest stochastycznie zrównoważony. Dlatego filtr ten jest nazywany filtrem modelującym lub filtr...

Wykład - filtr odszumiający

  • Politechnika Wrocławska
  • Algorytmy przetwarzania sygnałów
Pobrań: 42
Wyświetleń: 756

Problem optymalny filtracji odszumiającej - podejście geometryczne. (złożenie sygnałów x(t) i n(t) jest addytywne Idealna filtracja odszumiająca: x(t) = F [y(t)] Geometryczne rozwiązanie problemu filtracji odszumiającej x(t) - sygnał losowy związany z sygnałem y; jest liniowo niezależny od zmie...

Wykład - metoda LPC

  • Politechnika Wrocławska
  • Algorytmy przetwarzania sygnałów
Pobrań: 427
Wyświetleń: 1526

Transmisja sygnałów metodą LPC LPC - liniowe kodowanie prognozujące. Ta metoda transmisji wykorzystywana już obecnie w systemach telekomunikacji cyfrowej (np. w GSM) umożliwia znaczną kompresję ilości informacji przesyłanej w kanale telek...

Pytania i opracowanie na egzamin - Filtr innowacyjny

  • Politechnika Wrocławska
  • Algorytmy przetwarzania sygnałów
Pobrań: 1484
Wyświetleń: 3332

Pytania na poprawie, oficjalne. Zestaw 1: Szybkość zbieżności algorytmu Levinsona a szerokość pasma sygnału Zestaw 2: Filtr innowacyjny: wybielający, dekorelujący, parametryzujący Zestaw 3: Filtr modelujący: porównanie

Sygnały II rzędu - wykład

  • Politechnika Wrocławska
  • Algorytmy przetwarzania sygnałów
Pobrań: 203
Wyświetleń: 1183

Problem filtracji innowacyjnej sygnałów II rzędu. Sygnałem innowacyjnym jest ciąg nieskorelowanych zmiennych losowych {en(n), n=0,1,2,..,p} czyli szum biały. Macierz łańcuchowa rozproszenia filtru innowacyjnego ma postać: stąd wniosek: Ap(z) = θ11 + θ12 We = 1 = |Ap|2Wy Powyższy filtr realizu...

Modelowanie stochastyczne - wykład

  • Politechnika Wrocławska
  • Algorytmy przetwarzania sygnałów
Pobrań: 364
Wyświetleń: 1547

Modelowanie stochastyczne( cyfrowa synteza) statystyk drugiego rzędu: szum biały podany na wejście filtru odwrotnego względem filtru innowacyjnego, generuje na wyjściu sygnał który jest stochastycznie równoważny (w słabym sensie statystyk 2-go r...

Opracowanie pytań testowych na egzamin

  • Politechnika Wrocławska
  • Algorytmy przetwarzania sygnałów
Pobrań: 308
Wyświetleń: 931

ALGORYTMY PRZETWARZANIA SYGNAŁÓW 2007/2008 1.Wartosc średnia   x (t )   x  p( x, t )dx  E{x(t )}  2.Autokowariancja - autokorelacja sygnału scentrowanego c xx (t1 , t 2 )  E{( x(t1 )   x (t1 ))( x(t 2 )   x (t 2 )) 3. Wzór na autokorelacje  rxx (t1 , t2 )   x x 1 2 ...