obliczenia stanów granicznych ławy - omówienie

Nasza ocena:

3
Pobrań: 210
Wyświetleń: 1792
Komentarze: 0
Notatek.pl

Pobierz ten dokument za darmo

Podgląd dokumentu
obliczenia stanów granicznych ławy - omówienie - strona 1 obliczenia stanów granicznych ławy - omówienie - strona 2 obliczenia stanów granicznych ławy - omówienie - strona 3

Fragment notatki:

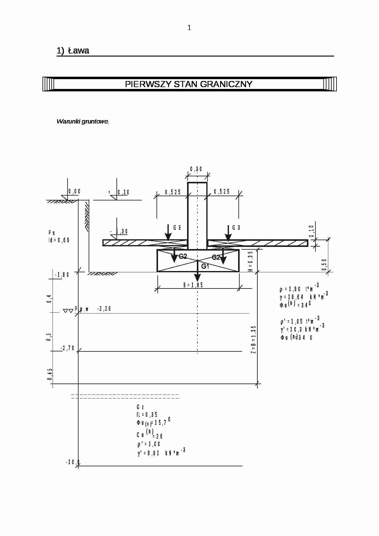
Ława
PIERWSZY STAN GRANICZNY
Warunki gruntowe.
Dane materiałowe
- beton B 20
Rb = 11500 kPa
Rbz=900 kPa
γb(n) = 24,0 kN/m3 - stal 3 SX
Ra = 210000 kPa
- ciężar objętościowy zasypki fundamentowej
γ(n)=18,0 kN/m3 - ciężar objętościowy posadzki w piwnicy
γp(n)=23,0 kN/m2 obliczenia ciężarów ławy i gruntu na odsadzkach ciężar ławy G1n= 0,35*1,35*24,0=11,34 kN/m
ciężar gruntu nad odsadzką
G2n= (0,525*0,05*18,639)*2=2,936
ciężar posadzki kN/m
G3n= 0,10*0,525*23,0=1,208 kN/m
Gr = Gin*γfi=11,34*1,1+2,936*1,2+1,208*1,3=17,568 kN/m
Sprawdzenie czy wypadkowa do obciążeń stałych i zmiennych długotrwałych znajduje się w rdzeniu podstawy ławy.
obciążenie pionowe podłoża
N1=Pr1+Gr= 310+17,568=327,568 kN/m
moment wypadkowej obciążeń podłoża względem środka podstawy ławy.
M1 = Mr1 M1 = 6 kN/m
mimośród obciążenia podłoża obliczony względem podstawy ławy.
e1 = Mr / Nr = 6/327,568
e1 = 0,18 m ... zobacz całą notatkę



Komentarze użytkowników (0)

Zaloguj się, aby dodać komentarz