Licznik 3

Nasza ocena:

3
Pobrań: 280
Wyświetleń: 1589
Komentarze: 0
Notatek.pl

Pobierz ten dokument za darmo

Podgląd dokumentu
Licznik 3 - strona 1 Licznik 3 - strona 2 Licznik 3 - strona 3

Fragment notatki:

Handkiewicz Andrzej. Notatka składa się z 16 stron.
Laboratorium Elektronika Cyfrowa Sprawozdanie z ćwiczenia Temat Układy Sekwencyjne - Licznik Rok akademicki 2011/12 Data wykonania ćwiczenia 21-03-2012 Data oddania sprawozdania 21-03-2012 Termin zajęć
Środa 11:45 Ocena
Wykonawca:
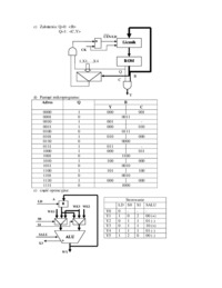
Rok/semestr/grupa Rok 3, Sem 6, gr A2 Wygenerowanie funkcji Funkcja wygenerowana za pomocom polecenia: xtclsh zadania_EC.tcl licznik L1
--------------------
|cykl| wyj | BIN |
|----|-----|-------|
| 0 | 0 | 0000 |
| 1 | 2 | 0010 |
| 2 | 3 | 0011 |
| 3 | 5 | 0101 |
| 4 | 6 | 0110 |
| 5 | 10 | 1010 |
| 6 | 13 | 1101 |
--------------------
licznik L2
--------------------
|cykl| wyj | BIN |
|----|-----|-------|
| 0 | 1 | 0001 |
| 1 | 3 | 0011 |
| 2 | 4 | 0100 |
| 3 | 6 | 0110 |
| 4 | 7 | 0111 |
| 5 | 11 | 1011 |
| 6 | 14 | 1110 |
--------------------
Konstruowanie synchronicznego licznika modulo 8 (3 bit) LP BIN Q2, Q1, Q0 DEC Q2', Q1', Q0' (N + 1) 0 000 000 1 001 1 001 001 2 010 2 010 010 3 011 3 011 011 4 100 4 100 100 5 101 5 101 101 6 110 6 110 110 7 111 7 111 111 0 000 Tablice Karnaugh, Schematy A\BC 00 01 11 10 0 1 0 0 1 1 1 0 0 1 Q0' = ∑(0, 2, 4, 6) = |C A\BC 00 01 11 10 0 0 1 ... zobacz całą notatkę



Komentarze użytkowników (0)

Zaloguj się, aby dodać komentarz