Komputerowa synteza automatu z parametrem wewnętrznym-opracowanie

Nasza ocena:

3
Pobrań: 245
Wyświetleń: 1582
Komentarze: 0
Notatek.pl

Pobierz ten dokument za darmo

Podgląd dokumentu
Komputerowa synteza automatu z parametrem wewnętrznym-opracowanie - strona 1 Komputerowa synteza automatu z parametrem wewnętrznym-opracowanie - strona 2 Komputerowa synteza automatu z parametrem wewnętrznym-opracowanie - strona 3

Fragment notatki:

Komputerowa synteza automatu z parametrem wewnętrznym.
1. Tabela grafu APW_5
y
y2
y3
y1
y1
y3
y2
y3
y1
y2
z/q
q1
q2
q3
q4
q5
q6
q7
q8
q9
z1
q5
q4
q9
q1
q8
q7
q4
q9
q6
z2
q2
q7
q7
q2
q9
q3
q7
q9
q3
Funkcja przejść stanów automatu:
G = (q1(z2q2(z1q4(z1q1,z2q2), z2q7(z1q4, z2q7)), z1q5(z1q8(z1q9, z2q9), z2q9(z1q6(z1q7, z2q3), z2q3(z1q9, z2q7)))))
2. Wyniki otrzymane za pomocą programu.
Jedyną pasującą kombinacją była:
q2,q1,q4*q3,q6,q7*q8,q9,q5
4. Budowanie schematów logicznych:
a) przekształcenie przejść stanów:
Przejścia ze stanu B1
G = b1(z2e2b3, z1e1b2, z2e1b3, z1e3b2, z2e3b2, z1e2b2)
G = b1({[[b1z1]e1], [[b1z1]e3], [[b1z1]e2], [[b1z2]e3]}b2, {[[b1z2]e2], [[b1z2]e1]}b3)
Przejścia ze stanu B2
G = b2(z2e1b3, z1e2b3, z2e2b1, z2e3b1, z1e3b2, z1e1b3)
G = b2({[[b2z2]e2], [[b2z2]e3]}b1, {[[b2z1]e3]}b2, {[[b2z2]e1], [[b2z1]e2], [[b2z1]e1]}b3)
Przejścia ze stanu B3
G = b3(z2e2b3, z1e2b1, z2e3b2, z1e3b1, z1e1b1, z2e1b3)
G = b3({[[b3z1]e1], [[b3z1]e2], [[b3z1]e3]}b1, {[[b3z2]e3]}b2, {[[b3z1]e2], [[b3z2]e2]}b3)
Przekształcenie wyrażenia dla
G = (e1({[[e1z1]b2]}e3, {[[e1z2]b1], [[e1z2]b2]}e2), e2({[[e2z2]b3], [[e2z2]b1], [[e2z2]b2]}e2, {[[e2z1]b3]}e1, {[[e2z1]b1]}e3), e3({[[e3z2]b2], [[e3z1]b2]}e2))
b) Schematy:
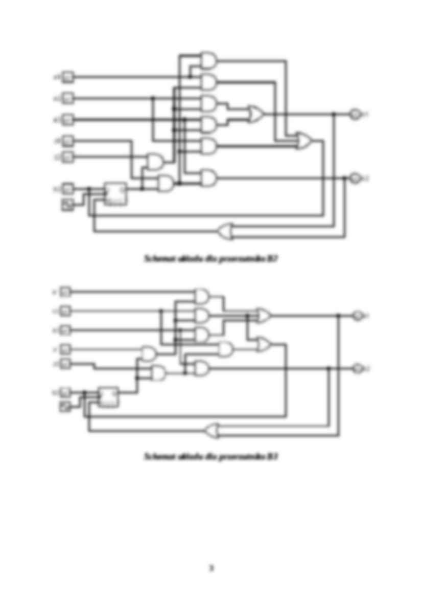
Schemat układu dla przerzutnika B1
Schemat układu dla przerzutnika B2
Schemat układu dla przerzutnika B3
Schemat układu dla wyrażenia E
- 1 -
... zobacz całą notatkę



Komentarze użytkowników (0)

Zaloguj się, aby dodać komentarz