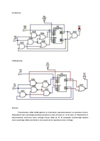
Teoria układów logicznych - strona 4

note /search

Urządzenia i układy przełączające

  • Politechnika Śląska
  • Teoria układów logicznych
Pobrań: 0
Wyświetleń: 651

Swiittchiing deviices and ciircuiitts The switching devices posses the property of having associated with them two distinct physical states. The actual signal values of these states differ from one device to another upon their design, but still these devices are controlled by two-valued signals a...

Hazard statyczny - omówienie

  • Politechnika Wrocławska
  • Teoria układów logicznych
Pobrań: 595
Wyświetleń: 2254

Ćwiczenie nr 3 Temat: Hazard statyczny. Ogólnie hazard definiowany jest jako niekorzystne zjawisko w układach cyfrowych, którego podłożem jest niezerowy czas propagacji (przenoszenia) sygnałów. Hazardem nazywamy błędne stany na wyjściach

Synteza układu synchronicznego - omówienie

  • Politechnika Wrocławska
  • Teoria układów logicznych
Pobrań: 812
Wyświetleń: 2058

Ćwiczenie nr 5 Temat: Synteza układu synchronicznego. Celem ćwiczenia 5 jest znalezienie różnic pomiędzy analizą a syntezą układu synchronicznego. W tym celu należy zaprojektować synchroniczny o jednym wejściu i dwóch wyjściach. Układ ten ma przekazywać jedynki nieparzyste na wyjście Z1, a jedynki...

Układy kombinatoryjne - omówienie

  • Politechnika Wrocławska
  • Teoria układów logicznych
Pobrań: 168
Wyświetleń: 798

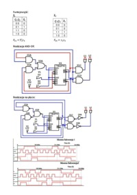
Ćwiczenie nr 2 Temat: Układy kombinacyjne. Układ SN74151 posiada 8 wejść danych D0...D7, trzy wejścia adresowe A, B, C, wejście strobujące S oraz dwa komplementarne wyjścia Y i W. Adres wybiera jedno z wejść D0...D7. Stan wybranego wejścia pojawia się na wyjściu Y oraz w postaci zanegowanej na wyj...

Układ UCY 74194 - omówienie

  • Politechnika Wrocławska
  • Teoria układów logicznych
Pobrań: 119
Wyświetleń: 1190

Układ UCY 74194 Układ UCY74194 jest czterobitowym dwukierunkowym rejestrem przesuwającym, spełniającym wszystkie wymagane przez projektanta urządzeń lub systemów funkcje. Rejestr ma równoległe wejścia i wyjścia, szeregowe wejścia dla przesuwania w prawo i w lewo, wejścia rodzaju pracy ora...

Analiza układu synchronicznego - omówienie

  • Politechnika Wrocławska
  • Teoria układów logicznych
Pobrań: 399
Wyświetleń: 945

Ćwiczenie nr 4 Temat: Analiza układu synchronicznego. Zadaniem przedstawianego układu jest wykrycie wystąpienie po sobie kolejno trzech stanów wysokich. W przypadku gdy nastąpi taka sekwencja - stan układu pozostaje wysoki aż do pierwszego niskiego stanu wejścia. Stan niski na wejściu resetuje cał...

Rejestr przesuwny SN74194 - omówienie

  • Politechnika Wrocławska
  • Teoria układów logicznych
Pobrań: 525
Wyświetleń: 2303

Rejestr przesuwny SN74194 Układ scalony SN74194 jest 4 bitowym, uniwersalnym, dwukierunkowym rejestrem przesuwnym, do którego można wprowadzać dane zarówno szeregowo jak i równolegle. Do równoległego wprowadzania danych służą wejścia A, B, C i D. Układ posiada dwa niezależne wejścia szeregowego wpr...

Systemy liczbowe i oświadczenia

  • Politechnika Śląska
  • Teoria układów logicznych
Pobrań: 7
Wyświetleń: 385

Number systems and representations There are many different numbers systems all over the world. Most of them are weight-positional systems, where value of number's each digit depends on both value of digit and it's position in a sequence of symbols. Therefore, during labs there will be implemente...

Wykrywanie przepełnienia

  • Politechnika Śląska
  • Teoria układów logicznych
Pobrań: 0
Wyświetleń: 658

Overflow detection Overflow is the most important problem that can occur during addition. Example (2's complement representation): Let (A)2=(010011.011)2 then (-A)2=(101100.101)2 One of the possible solutions of detecting overflow is based on testing the carry onto and from sign digit. If both...

Proces projektowania synchroniczny

  • Politechnika Śląska
  • Teoria układów logicznych
Pobrań: 0
Wyświetleń: 651

Synchronous design process Typical synchronous design process can fit into 6 main steps: • Organize design specification, typically into state diagram, PS/NS table, ASM chart or timing diagram. • Perform state reduction to achieve fewer flip-flops. • Determine minimum number of flip-flops and a...