Elektronika - strona 4

note /search

PIM Laboratorium - omówienie

  • Politechnika Rzeszowska im. Ignacego Łukasiewicza
  • Elektronika
Pobrań: 112
Wyświetleń: 1337

PODSTAWY INŻYNIERII  MATERIAŁOWEJ  LABORATORIUM  pod redakcją Jerzego Rutkowskiego  Wydanie II  Oficyna Wydawnicza Politechniki Wrocławskiej  Wrocław 2005  Autorzy:  Ryszard Kacprzyk (1, 9,10), Bożena Łowkis (8), Jerzy Rutkowski (6, 7),  Adam Tymań (4), Leszek Woźny (5), Jan Ziaja (2), Zbigniew Zub...

Pomiar mocy prądu przemiennego-opracowanie

  • Politechnika Wrocławska
  • Elektronika
Pobrań: 196
Wyświetleń: 1302

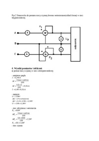
Ćwiczenie 4 Pomiar mocy prądu przemiennego. 1. Cel ćwiczenia Celem ćwiczenia jest poznanie metod pomiaru mocy czynnej, biernej i pozornej prądu przemiennego oraz zasad doboru układu pomiarowego w zależności od warunków zasilania i obciążenia. 2. Wstęp

Wzmacniacze-opracowanie

  • Politechnika Wrocławska
  • Elektronika
Pobrań: 133
Wyświetleń: 847

Ćwiczenie nr: 3 Temat: Wzmacniacze Badania i opracowanie wykonał: 1. Cel ćwiczenia Celem naszego ćwiczenia jest wyznaczenie logarytmicznej charakterystyki częstotliwości w dwóch rodzajach wzmacniaczy. Badany będzie wzmacniacz sygnałowy z tranzystorem pracującym w układzie wspólnego emitera oraz...

Elektronika-opracowanie zagadnień

  • Politechnika Wrocławska
  • Elektronika
Pobrań: 126
Wyświetleń: 798

• Napięcie Napięcie UEB – różnica potencjałów między punktami E a B, przy czym potencjał VE jest dodatni względem potencjału VB Przykład: UEB = 0,7 V UBE = - 0,7 V gdzie VE VB Jednostka: Oznaczenie idealnego źródła napięcia stałego [V] = [J] / [C] (volt = praca/ładunek) na schematach Si...

Kolokwium - opracowanie

  • Politechnika Wrocławska
  • Elektronika
Pobrań: 126
Wyświetleń: 1253

1. Wymień trendy rozwojowe współczesnej elektroniki. Miniaturyzacja zwiększenie skali integracji us zmniejszenie kosztów wytwarzania wzrost częstotliwości wzrost niezawodności zmniejszenie szumów (słabe sygnały) zmniejszenie wydzielanej mocy w us zmniejszenie iloczynu Pmax * f zwiększenie ...

Kolokwium - opracowanie - Generacja światła

  • Politechnika Wrocławska
  • Elektronika
Pobrań: 35
Wyświetleń: 896

1. Wyjaśnij korzystając z modelu pasmowego materiału półprzewodnikowego proces rekombinacji promienistej prowadzący do spontanicznej emisji światła. Generacja światła jest skutkiem rekombinacji promienistej nadmiarowych par elektron – dziura, wprowadzonych do

Sprawozdanie Analiza numeryczna chromatografii (sem. I)

  • Uniwersytet Szczeciński
  • Elektronika
Pobrań: 14
Wyświetleń: 651

Katedra Elektrotechnologii i Diagnostyki Sprawozdanie z wykonania ćwiczenia: Analiza numeryczna wyników badań chromatografii gazów rozpuszczalnych w oleju Skład zespołu: Jacek Barański Piotr Świgoń Mateusz Radke Marek Wnuczyński Justyna Wasilewska Prowadzący: dr inż. Marek Zenker Data wykonania...

Sprawozdanie Diagnostyka transformatora (sem. I)

  • Uniwersytet Szczeciński
  • Elektronika
Pobrań: 147
Wyświetleń: 1512

Zachodniopomorski Uniwersytet Technologiczny w Szczecinie Przedmiot: Diagnostyka urządzeń elektrycznych Sprawozdanie z wykonania ćwiczenia: " Diagnostyka transformatora" Kierunek: Elektrotechnika S2 Semestr: 1 Rok: 2012/2013 Zes...

Wykład- stan izolacji transformatora (sem. I)

  • Uniwersytet Szczeciński
  • Elektronika
Pobrań: 105
Wyświetleń: 1246

Katedra Elektrotechnologii i Diagnostyki Laboratoria z diagnostyki urządzeń elektrycznych Temat: BADANIE STANU IZOLACJI TRANSFORMATORA METODĄ RVM Prowadzący zajęcia: mgr inż. Andrzej Mrozik Wykonali: Tomasz Kaleta Wojciech Wasilewski Marcin...